Дом / Продукт / Механическое уплотнение / Одноконцевое механическое уплотнение с нижним вводом

Одноконцевое механическое уплотнение с нижним вводом

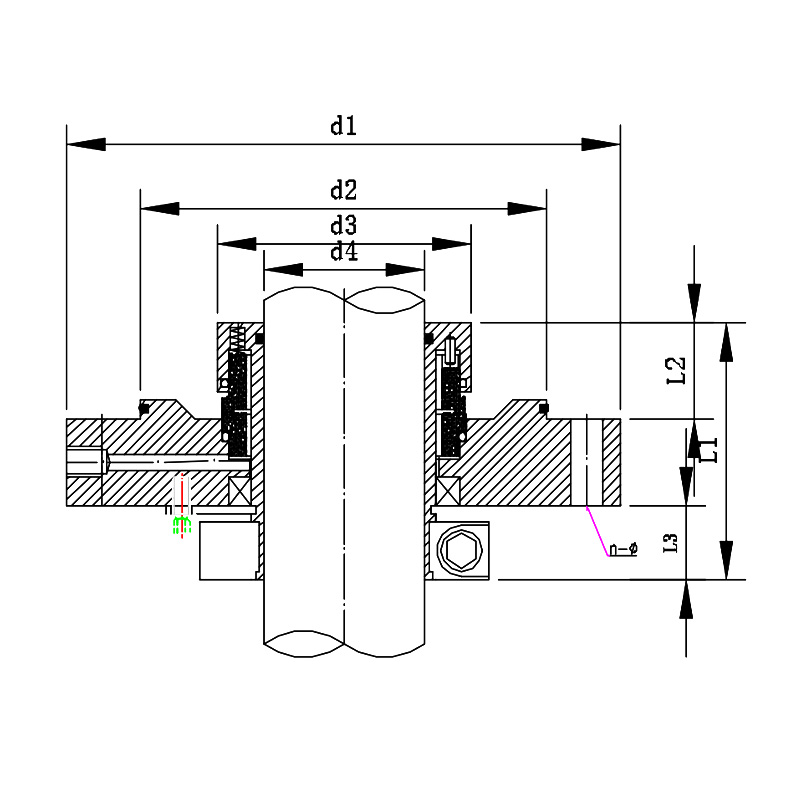
Конструктивной особенностью механического уплотнения реактора с нижней вставкой является короткая длина перемешивающего вала, что снижает изгибные напряжения в вале до минимальных. Это позволяет оптимизировать расчет диаметра вала с экономией материалов, сокращая трудовые и материальные затраты. Кроме того, короткий вал обладает повышенной жесткостью и сниженной скоростью деформации по сравнению с длинным валом, что способствует улучшению герметизирующих характеристик уплотнения.
Запросить котировку
Настроить рабочее колесо

Конструктивной особенностью механического уплотнения реактора с нижней вставкой является короткая длина перемешивающего вала, что снижает изгибные напряжения в вале до минимальных. Это позволяет оптимизировать расчет диаметра вала с экономией материалов, сокращая трудовые и материальные затраты. Кроме того, короткий вал обладает повышенной жесткостью и сниженной скоростью деформации по сравнению с длинным валом, что способствует улучшению герметизирующих характеристик уплотнения.

Замечание

Принцип работы

Конструкция данного уплотнения предусматривает необходимость герметизации при высоком давлении. Для создания удельного давления на уплотнительную поверхность высокого давления используется металлическая прокладка. Данное удельное давление значительно превышает удельное давление уплотнений среднего и низкого давления, что обеспечивает надежную герметизацию при высоких давлениях.

Используемая металлическая прокладка обычно изготавливается из отожженного алюминия, меди или мягкой стали с высокой пластичностью, способной выдерживать повышенное давление уплотнения. Кроме того, использование узкостного уплотнения вместо широкого позволяет не только увеличить удельное давление на уплотнительную поверхность, но и значительно снизить общую силу уплотнения, а также уменьшить конструктивный размер фланца и уплотнительной головки.

Уплотнительная форма

Механическое уплотнение нижнего вставного реактора относится к высоконапорному уплотнению, которое опирается на крепежные детали (например, болты) для прижатия прижимного кольца с целью достижения предварительного натяжения и гарантии герметичности. Данное уплотнение также возможно герметизировать в процессе работы. Данная форма называется принудительной запечаткой. Распространенная конструкция принудительного уплотнения высокого давления представляет собой плоскую прокладочную уплотнительную конструкцию, аналогичную стандартной фланцевой прокладке в контейнерах среднего и низкого давления, но с заменой неметаллической прокладки на металлическую, а широкого уплотнения — на узкое.

Подводя итог, как было отмечено выше, механическое уплотнение нижнего вставного реактора обеспечивает надежное уплотнительное решение в условиях высокого давления благодаря своей уникальной конструкции и эффективному принципу работы. Сочетание его конструктивных характеристик и принципа работы обеспечивает стабильную работу и безопасность оборудования в условиях высокого давления и температуры.

Параметры продукта