Дом / Продукт / Механическое уплотнение / Принцип работы механического уплотнения снизу внутрь

Принцип работы механического уплотнения снизу внутрь

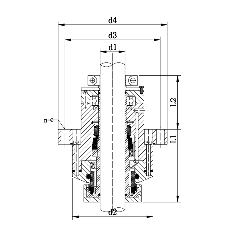
Механическое уплотнение снизу внутрь представляет собой тип механического уплотнения, в котором пружина и подвижное кольцо монтируются в уплотнительную коробку и взаимодействуют с рабочей средой напрямую. Ключевая особенность этого герметизирующего решения заключается в том, что пружина и подвижное кольцо расположены внутри уплотнительной коробки и непосредственно контактируют с рабочей средой, что обеспечивает эффективное уплотнение жидких сред. Данное уплотнение предназначено для поддержания посадочного контакта и взаимного скольжения элементов с целью предотвращения утечки жидкости через посадочное место пружины, подвижного кольца и вспомогательного уплотнения. Этот метод герметизации эффективен для различных вращающихся жидкостных машин, включая центробежные насосы, центрифуги, реакторы и компрессоры, где трансмиссионный вал проходит сквозь внутреннее и внешнее оборудование, образуя кольцевой зазор. Механическое уплотнение снизу эффективно предотвращает утечку жидкости в зазоре и поддерживает стабильное рабочее давление внутри устройства. В упругом нагрузочном механизме и вспомогательных уплотнениях механических уплотнений снизу внутрь преимущественно применяются металлические гофрированные трубы. В легковесных уплотнениях в качестве вспомогательных элементов могут использоваться резиновые гофрированные трубы, однако упругая сила резиновых гофрированных труб ограничена, поэтому их эксплуатация обычно требует дополнения пружинами. Данный метод герметизации широко распространен в промышленности благодаря надежной конструкции, минимальной утечке и длительному сроку эксплуатации.
Запросить котировку
Настроить рабочее колесо

Механическое уплотнение снизу внутрь представляет собой тип механического уплотнения, в котором пружина и подвижное кольцо монтируются в уплотнительную коробку и взаимодействуют с рабочей средой напрямую. Ключевая особенность этого герметизирующего решения заключается в том, что пружина и подвижное кольцо расположены внутри уплотнительной коробки и непосредственно контактируют с рабочей средой, что обеспечивает эффективное уплотнение жидких сред.

Данное уплотнение предназначено для поддержания посадочного контакта и взаимного скольжения элементов с целью предотвращения утечки жидкости через посадочное место пружины, подвижного кольца и вспомогательного уплотнения. Этот метод герметизации эффективен для различных вращающихся жидкостных машин, включая центробежные насосы, центрифуги, реакторы и компрессоры, где трансмиссионный вал проходит сквозь внутреннее и внешнее оборудование, образуя кольцевой зазор. Механическое уплотнение снизу эффективно предотвращает утечку жидкости в зазоре и поддерживает стабильное рабочее давление внутри устройства.

В упругом нагрузочном механизме и вспомогательных уплотнениях механических уплотнений снизу внутрь преимущественно применяются металлические гофрированные трубы. В легковесных уплотнениях в качестве вспомогательных элементов могут использоваться резиновые гофрированные трубы, однако упругая сила резиновых гофрированных труб ограничена, поэтому их эксплуатация обычно требует дополнения пружинами. Данный метод герметизации широко распространен в промышленности благодаря надежной конструкции, минимальной утечке и длительному сроку эксплуатации.

Замечание
Параметры продукта
Модель д1 д2 д3 д4 Л1 Л2 н-∅
HD-KL-40 40 152 175 200 245 104 4-∅14
HD-KL-50 50 162 192 220 255 116.5 6-∅16
HD-KL-70 70 182 212 240 267.5 120.5 8-∅14
HD-KL-100 100 215 255 290 287 114.5 8-∅18